Profil en aluminium 625cm 40x40 pour vis à tête hexagonale Anodisé

Disponibilité: En stock (grande quantité)
Livraison sous: 6 Jours ouvrables
Poids: 4.92 kg
Prix / pcs.: 65,80 € 65.80
TTC 21%, hors frais de port
Prix net / pcs.: (54,38 €)
HT 21%, hors frais de port

discount mark
Économisez plus d'argent avec des emballages plus grands !
Plus l'unité d'emballage est grande, plus le prix unitaire est bas !
discount tip




quantité pcs.

product unavailable

ajouter à la liste de souhaits
* - Champ obligatoire
Visa Mastercard Google Pay Apple Pay PayPal Bank Transfer
Évaluation: 5
Vendeur: Synerga
Code produit: PV-01-02-AN

Description

Profil en aluminium 625cm 40x40 pour vis à tête hexagonale Anodisé

Matériaux disponibles

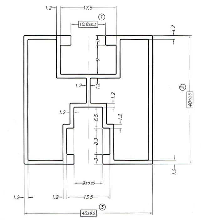
Profil de montage en aluminium anodisé 6060 de 625 cm pour vis hexagonale DIN 933 M10, pour modules photovoltaïques.

Le profilé de montage convient au montage de panneaux photovoltaïques avec des pinces centrales et des pinces d'extrémité. Les pinces sont fixées au rail supérieur du profilé. Le canal du rail inférieur permet de monter le profil sur des adaptateurs, des crochets de toit ou des triangles.

Le montage s'effectue à l'aide de boulons hexagonaux M10 et d'écrous à embase M10.

  • Les profils de montage de 4x4 cm pour les boulons hexagonaux sont fabriqués en aluminium 6060 de haute qualité.
  • La longueur des profils peut être augmentée à l'aide de profils de raccordement disponibles séparément.
  • Anodisés en noir pour une grande durabilité et une protection contre les influences environnementales.
  • Disponible uniquement avec l'option de livraison "FTL (Chargement complet)".

Propriétés de l'aluminium 6060

  • Résistance à la corrosion et aux facteurs externes.
  • Bonne résistance mécanique, résistance aux chocs.
  • Convient à l'anodisation pour une protection supplémentaire et une finition décorative.

Dimensions disponibles

Longueur [cm]
Largeur (cm)
Hauteur (cm)
 
10
4
4
next arrow image
195
4
4
next arrow image
208
4
4
next arrow image
221
4
4
next arrow image
235
4
4
next arrow image
416
4
4
next arrow image
430
4
4
next arrow image
443
4
4
next arrow image
625
4
4
next arrow image
665
4
4
next arrow image

Matériaux disponibles

Matériau
 
ALU
next arrow image
 
ALU Anodisé
next arrow image
 
Nos modèles10cm195cm208-240cm416-665cm
 Caractéristiques techniques
MatériauAluminium 6060 anodisé
Longueur [cm]10195208-240416-665
Hauteur [cm]4
Largeur [cm]4
LivraisonEchantillon (livraison économique)Coursier (livraison économique)Coursier (envoi encombrant)FTL (chargement complet)
Poids approximatif par mètre0,82/kg
Installation du canal supérieurEcrou carré M8
Installation du canal inférieurBoulon à tête hexagonale M10 DIN 933
Version normaleOuiOuiOuiOui

Données techniques

Longueur [mm] 6250
Profil [mm] 40×40
Type de rainure Pour boulon hexagonal
Finition Anodisé

Sécurité

Tous les avis (positifs et négatifs) sont affichés, selon la limitation du nombre de plateformes. Nous vérifions qu'ils proviennent de clients qui ont acheté le produit. En savoir plus sur notre page des politiques de commentaires.

Produits associés

haut
×

VAT ID not verified in VIES!

Voir la version complète du site
Sklep internetowy Shoper.pl