Rijwagen poorttype 80 voor schuifpoort met 5 stalen rollen verstelbaar
product unavailable
toevoegen aan verlanglijst
Beschrijving
Rijwagen met 5 stalen rollen voor schuifpoort – 550 kg
Rijwagen met 5 rollen voor vrijdragende schuifpoorten — een robuust rijonderdeel ontworpen voor poorten met een groot gewicht. Dankzij de scharnierende constructie past de rijwagen zich automatisch aan de positie van de rail aan, waardoor spanningen door oneffenheden in de ondergrond worden geëlimineerd en een soepele, storingsvrije werking van de poort gedurende vele jaren wordt gegarandeerd.

Constructie en werkingsprincipe
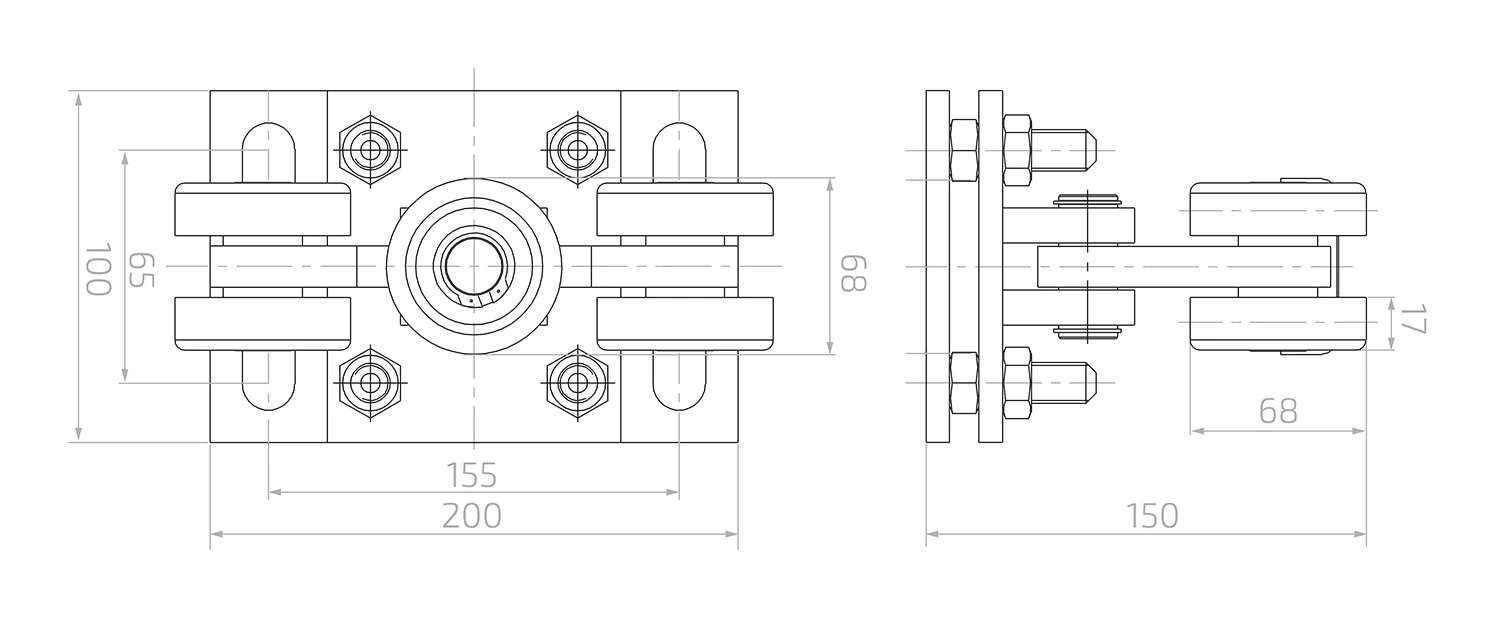
De rijwagen is uitgerust met 5 stalen rollen — vier verticaal geplaatste draagwielen en één horizontale geleidingsrol. Deze opstelling zorgt voor een stabiele ondersteuning van de poortrail zowel van onderen als van opzij, wat resulteert in een stille werking en minimale slijtage van de rijonderdelen. Het rijwagencorpus is via een scharnierende pen verbonden met de montageplaat, waardoor het gehele rollensysteem kan kantelen en eventuele montageafwijkingen kan compenseren. De hoogteregeling gebeurt met bouten die worden vergrendeld met contramoeren — hiermee kan de railhoogte ten opzichte van de poortstijlen nauwkeurig worden ingesteld zonder het gebruik van afstandsstukken.
De rijwagen is bestemd voor een rail met profiel 80 × 80 × 5 mm en draagt een belasting tot 550 kg, waardoor hij geschikt is voor poorten van middelgrote en grote afmetingen — zowel bij woongebouwen als op industrieterreinen.

Afmetingen en technische specificaties
- Maximale belasting: 550 kg
- Aantal rollen: 5 (4 verticale draagwielen + 1 horizontale geleidingsrol)
- Materiaal rollen: staal
- Oppervlakteafwerking: verzinkt
- Rail: profiel 80 × 80 × 5 mm
- Afmetingen montageplaat: 200 × 100 mm
- Hartafstand montagegaten (lengterichting): 155 mm
- Hartafstand montagegaten (dwarsrichting): 65 mm
- Roldiameter: 68 mm
- Rolbreedte: 17 mm
- Breedte rollensysteem: 68 mm
- Totale hoogte rijwagen: 150 mm
- Gewicht: 5,5 kg
- EAN: 5901289674652
Voordelen voor de installateur
- Scharnierende constructie compenseert montageafwijkingen en oneffenheden in de ondergrond
- Hoogteregeling via bouten — snelle en nauwkeurige instelling van de railhoogte
- Langwerpige gaten in de montageplaat maken positiecorrectie van de rijwagen na verankering mogelijk
- Zinkcoating zorgt voor corrosiebestendigheid bij buitengebruik
- Gelagerde stalen rollen garanderen een lange levensduur en stille werking
Ładowanie tabeli porównawczej...
Ładowanie galerii...
Veiligheid
Alle beoordelingen (positief en negatief) worden weergegeven, volgens de beperking van het aantal platformen. Wij controleren of ze afkomstig zijn van klanten die het product hebben gekocht. Zie meer op onze pagina commentaarbeleid.