Eindklem H30 aluminium 6060 gat M8 Geanodiseerd

Beschikbaarheid: Op voorraad (grote hoeveelheid)
Levering binnen: 6 Werkdagen
Gewicht: 0.02 kg
Prijs / stk.: 0,34 € 0.34
incl. 21% BTW, excl. verzendkosten
Netto prijs / stk.: (0,28 €)
excl. 21% BTW, excl. verzendkosten

discount mark
Bespaar meer geld met grotere verpakkingen!
Hoe groter de verpakkingseenheid, hoe lager de eenheidsprijs!
discount tip




aantal stk.

product unavailable

toevoegen aan verlanglijst
* - Veld verplicht
Visa Mastercard Google Pay Apple Pay PayPal Bank Transfer
Beoordeling: 5
Leverancier: Synerga
Productcode: PV-03-02

Beschrijving

Eindklem H30 aluminium 6060 gat M8 Geanodiseerd

Beschikbare maten
Beschikbare materialen

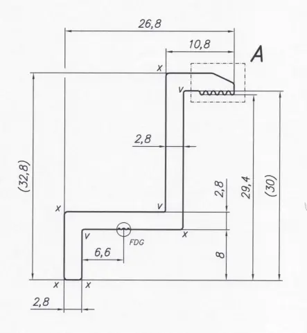
Zijdelingse drukklem in Aluminium 6060 Geanodiseerd, 30mm, gat M8, voor fotovoltaïsche modules.

Zijdelingse klem of laterale klem is een belangrijk bevestigingselement voor de installatie van zonnepanelen en dient om het zonnepaneel aan het aluminium profiel te bevestigen. Het wordt gebruikt voor de installatie van zonnepanelen op platte en hellende daken.

Gebruik zijklemmen voor afwerkpanelen geplaatst in een rij op het dak van het gebouw. Gebruik de middenklemmen tussen de panelen.

De belangrijkste technologische klemparameter is de werkhoogte, die moet samenvallen met de hoogte van het te monteren fotovoltaïsche paneel. De H30 crimper heeft een werkhoogte die geschikt is voor een paneel van 30 mm dik, de H35 crimper voor een paneel van 35 mm dik enzovoort.

Om esthetische redenen zijn deze klemmen ook verkrijgbaar in een zwart geanodiseerde versie. Anodiseren verbetert ook de duurzaamheid van het onderdeel door de weerstand tegen omgevingsfactoren te verhogen.

Graag controleer paneeldikte, om overeen te komen met de klemhoogte.

De klem is compatibel met de volgende montageprofielen:

  • Aluminium profielen voor zeskantschroeven.
  • Aluminium profielen voor T-schroeven.
  • Trapeziumprofielen voor daken van trapeziumplaat.

Specificaties

  • Materiaal: Aluminium 6060 Geanodiseerd
  • Montageprofiel: M8 schroefgat
  • Lengte: 50mm

Eigenschappen Aluminium 6060

  • Bestand tegen corrosie en invloeden van buitenaf.
  • Goede mechanische sterkte, slagvast.
  • Geschikt voor anodiseren voor extra bescherming en een decoratieve afwerking.

Beschikbare maten

Type
Dikte van het paneel
 
H-30
30 mm
next arrow image
H-32
32 mm
next arrow image
H-35
35 mm
next arrow image
H-40
40 mm
next arrow image

Beschikbare materialen

Materiaal
 
ALU
next arrow image
 
Alu Geanodiseerd
next arrow image
 

Veiligheid

Alle beoordelingen (positief en negatief) worden weergegeven, volgens de beperking van het aantal platformen. Wij controleren of ze afkomstig zijn van klanten die het product hebben gekocht. Zie meer op onze pagina commentaarbeleid.

Gerelateerde producten

omhoog
×

VAT ID not verified in VIES!

Bekijk de volledige versie van de site
Sklep internetowy Shoper.pl